 |
 |
|
|
|
 |
|
|
■圧力差発電対応ボイラ
地球温暖化の防止に大いに役立つ、ボイラの余剰圧力を利用して蒸気タービンによる圧力差発電システムを確立しました。安価にして超小型、高性能のタービン発電機にてまず発電し、その低圧(約0.3MPa)の排気を事業場のプロセスに送気するという、いわゆる減圧弁のかわりに発電機を設置するというシステムです。圧力差の大きい程ボイラと発電の総合した効率は極限に近い99%以上になります。貴事業場の省エネと、地球温暖化防止のため、是非共ご検討いただきたくお願いいたします。 |
|
 |
|
|
 |
 |
 |
 |
 |
 |
 |
 |
 |
 |
 |
 |
 |
 |
 |
 |
 |
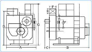
| - WB-ES型 要目・寸法 - |
| 型 式 |
400 |
401 |
402 |
403 |
404 |
405 |
406 |
407 |
408 |
409 |
410 |
411 |
| 換算蒸発量 |
定格 kg/hr |
1000 |
1200 |
1500 |
1800 |
2400 |
3000 |
3600 |
4800 |
6000 |
7200 |
8400 |
10000 |
| 熱出力 |
103 kcal/hr |
539 |
647 |
808 |
970 |
1294 |
1617 |
1940 |
2588 |
3233 |
3881 |
4528 |
5390 |
| 伝熱面積 |
m2 |
9.87 |
15.2 |
17.8 |
22 |
24.7 |
39 |
45 |
59 |
72 |
81 |
97 |
114 |
| オイル燃料消費量 |
kg/hr |
56 |
68 |
85 |
102 |
136 |
170 |
204 |
272 |
340 |
408 |
477 |
567 |
| ガス燃料消費量 |
Nm3/hr |
57 |
69 |
87 |
104 |
134 |
174 |
208 |
278 |
347 |
417 |
486 |
579 |
| ボイラ概算重量(ドライ) |
ton |
3.8 |
4.6 |
5 |
6 |
6.3 |
8.5 |
9 |
12 |
12.4 |
15.3 |
18 |
21.5 |
| ボイラ概算水重量(満水) |
ton |
1.8 |
2.2 |
2.4 |
2.8 |
3.2 |
4.5 |
5.2 |
7.7 |
8.1 |
10.5 |
11.9 |
13.9 |
| オイルバーナ型式 |
油圧噴霧式 |
| ガスバーナ型式 |
先混合式 |
| 燃料ポンプ |
kw |
0.4 |
0.4 |
0.4 |
0.4 |
0.75 |
0.75 |
1.5 |
1.5 |
1.5 |
3.7 |
3.7 |
3.7 |
| オイルプレヒータ |
1 |
2 |
2 |
2 |
2 |
3 |
3 |
4 |
5 |
6 |
6 |
6 |
| 押込送風機 |
2.2 |
2.2 |
3.7 |
3.7 |
5.5 |
5.5 |
11 |
15 |
18.5 |
22 |
30 |
37 |
| 給水ポンプ |
1.5 |
1.5 |
1.5 |
2.2 |
2.2 |
2.2 |
3.7 |
3.7 |
5.5 |
5.5 |
5.5 |
7.5 |
付
属
弁
類 |
主蒸気弁 |
mm |
50 |
50 |
65 |
65 |
80 |
80 |
100 |
100 |
125 |
125 |
125 |
125 |
| 安全弁 |
25 |
25 |
40 |
40 |
40 |
40 |
40 |
40×2 |
40×2 |
40×2 |
50×2 |
50×2 |
| 給水弁 |
20 |
20 |
20 |
25 |
25 |
25 |
32 |
32 |
50 |
50 |
50 |
50 |
| 排水弁 |
40 |
| 排気筒口径 |
mm |
280 |
280 |
320 |
380 |
380 |
480 |
480 |
580 |
650 |
725 |
750 |
800 |
ボ
イ
ラ
寸
法 |
A |
1807 |
2100 |
2100 |
2180 |
2230 |
2450 |
2450 |
2750 |
2750 |
2970 |
3170 |
3250 |
| B |
1895 |
2420 |
2578 |
2688 |
2773 |
3273 |
3516 |
3918 |
4130 |
4530 |
4548 |
4967 |
| C |
232 |
232 |
274 |
274 |
311 |
311 |
418 |
418 |
462 |
462 |
488 |
521 |
| D |
2195 |
2325 |
2325 |
2520 |
2565 |
2800 |
2800 |
3150 |
3150 |
3415 |
3610 |
3775 |
| E |
250 |
300 |
300 |
350 |
350 |
400 |
400 |
500 |
500 |
550 |
600 |
650 |
| F |
250 |
380 |
380 |
470 |
470 |
470 |
470 |
570 |
570 |
670 |
710 |
710 |
| G |
2730 |
2925 |
2925 |
3045 |
3090 |
3300 |
3300 |
3550 |
3550 |
3790 |
3960 |
4100 |
| ボイラ搬入口 幅 |
mm |
2000 |
2300 |
2300 |
2400 |
2450 |
2700 |
2700 |
3000 |
3000 |
3200 |
3400 |
3500 |
| ボイラ搬入口 高さ |
2400 |
2650 |
2650 |
2850 |
2900 |
3150 |
3150 |
3550 |
3550 |
3850 |
4060 |
4250 |
|
|
|
|
(注) |
- 最高使用圧力は、1.57MPa(16kg/cm2)まで標準化していますが、これ以上の圧力に対してもご相談に応じます。圧力差発電には高圧ボイラが有利です。
- 燃料は灯油・A重油・天然ガスとします。
- 本表の燃料消費量は、蒸気圧力0.7MPa(7kg/cm2)、給水温度20℃、低位発熱量重油10.160kcal/kg、天然ガス9960kcal/Nm3のときです。
- 本表は、改良のため予告なく変更することがあります。
- オイルプレヒータは、燃料の種類により不要のときがあります。
- 本表以外に換算蒸発量12000kg/hr 13000kg/hrの機種も標準化しております。
|
|
|
|
|
|
|
|
|
|
|
|
|
|
|
|
|